PMNet Cable NC-028-CR / NC-050-CR / NC-100-CR

General Data | |
Cable Name | 2.8 m / 5.0 m / 10.0 m PMNet cable |
PMI Article Number | NC-028-CR (2.8 m) NC-050-CR (5.0 m) NC-100-CR (10.0 m) |
Short Description | Network cable for Planar Motor internal highspeed communication |
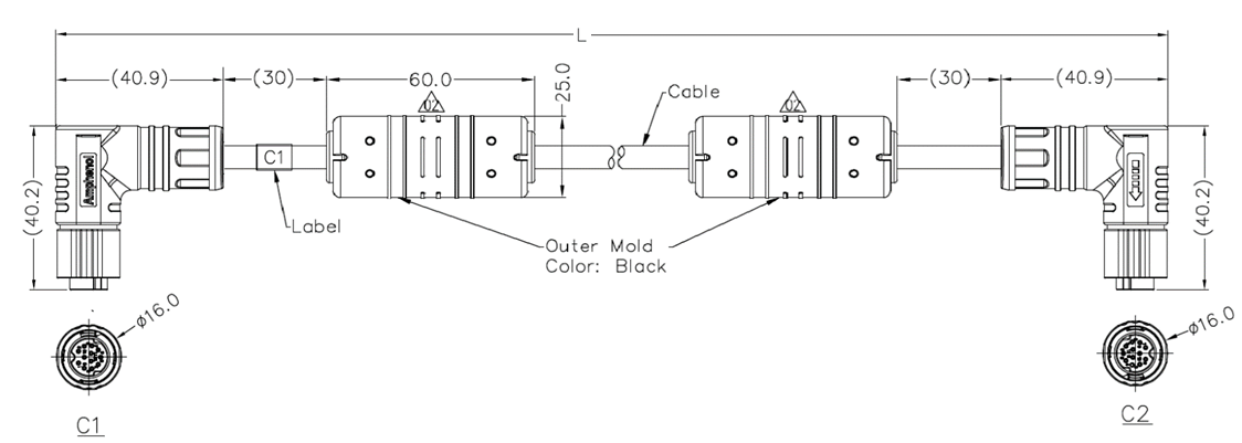
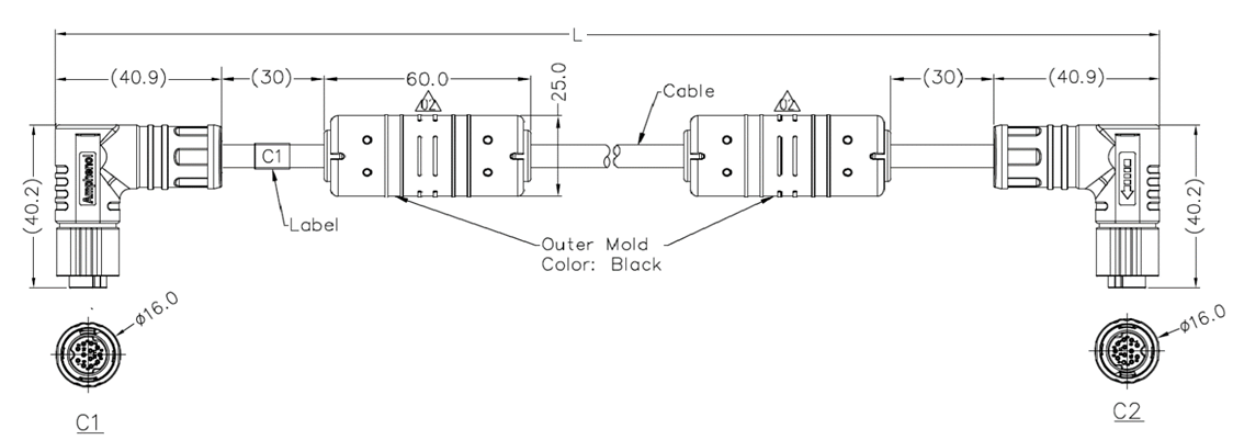
Long Description | Network cable for Planar Motor internal highspeed data transfer 12 pin, A coded Straight plug with push to lock connection Black Housing Cable length 2.8 m / 5.0 m / 10.0 m |
Used for | Connection between PMC and Flyway |
Certification | E119932-I RU AWM STYLE 20276 80°C 30V VW-1 |
RoHS 2011/65/EU | EN IEC 63000:201 |
Dimensions | |
Length of cable | 2.8 m (NC-050-CR) 5.0 m (NC-050-CR) 10.0 m (NC-100-CR) |
Cable weight | 0.4 kg (NC-028-CR) 0.7 kg (NC-050-CR) 1.1 kg (NC-100-CR) |
Diameter | 9.0 mm |
Bend Radius Single Bend | ≥8 x cable diameter |
Characteristics Head 1 | |
Plug Type | M12, 12 Pin Female, A coded with push lock |
Degree of Protection | IP68/ IP69K |
Characteristics Head 2 | |
Plug Type | M12, 12 Pin Female, A coded with push lock |
Degree of Protection | IP68/ IP69K |
Cable | |
Ferrite Cores | One at each end |
Outer Jacket Colour | Black |